
Klokje uitgevoerd in R.V.S.

Logo uitgevoerd in R.V.S.

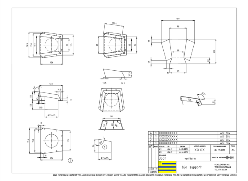
mechanische onderdelen
R.V.S. tafelframe

Vluchtplan verdieping

elektrische installatie